Skema Amplifier Final Npn

800 Watt Power Amplifier Ocl Electronic Circuit Power Amplifiers Subwoofer Amplifier Audio Amplifier

800 Watt Power Amplifier Ocl Electronic Circuit Power Amplifiers Subwoofer Amplifier Audio Amplifier

Troubleshooting Chapter Seven Transistorized Consumer Equipment

Troubleshooting Chapter Seven Transistorized Consumer Equipment

150w Mp3 Car Amplifier

150w Mp3 Car Amplifier

Skema Rangkaian Safari Ini Sangat Cocok Sekali Untuk Driver Power Yang Memakai Transistor Sanken Yang Sudah Terkenal Kehebatannya U Teknologi Safari

Skema Rangkaian Safari Ini Sangat Cocok Sekali Untuk Driver Power Yang Memakai Transistor Sanken Yang Sudah Terkenal Kehebatannya U Teknologi Safari

800w Power Amplifier Circuit Power Amplifiers Circuit Diagram Mini Amplifier

800w Power Amplifier Circuit Power Amplifiers Circuit Diagram Mini Amplifier

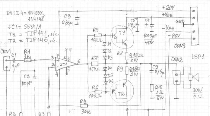
Simple 30w Audio Power Amplifier And Darlington Transistors

Simple 30w Audio Power Amplifier And Darlington Transistors


Komentar

Postingan populer dari blog ini

Skema Op Amp Ne5532